欢迎来访东莞玖容气液增压缸厂家品牌网站!
产品中心
|
支持中心
玖容32年专注气动液压设备
ISO9001认证气液增压缸厂家
全国定制咨询热线
0769-23103048
气液增压缸设备行业优选品牌!
玖容首页
气液增压缸
气液增压机
气液增压器
气体增压泵
增压缸选型
工作原理
解决方案
关于玖容
联系我们
热门关键词:
气液增压缸
|
气液压力机
|
伺服压力机
返回
列表
首页>
解决方案>
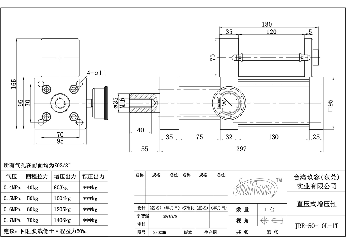
玖容增压缸JRE-50-10L-1T图纸下载
玖容增压缸JRE-50-10L-1T图纸下载
发布时间:2025-10-16
文档下载:
JRE-50-10L-1T.pdf
3D图
技术咨询可联系:0769-23103048(固话)18925540959(手机)
上一篇:
增压缸JRM-63-150-20L-1T图纸以及3D图
下一篇:
玖容增压缸JRB设计图和3D图
版权所有@1992年~2023年 东莞市玖容气动液压设备有限公司 东莞玖容气液增压缸品牌
电话:0769-23103048、0769-22013249、传真:0769-23109526
联系QQ:2850850515(杨小姐)、2850850511(黄小姐)、2850850512(李小姐)、2850850514(秦先生)
东莞玖容气液增压缸厂家地址:广东省东莞市东城街道峡口沙岭工业西路21号 邮政编码:523115
玖容官方微信
咨询热线:
0769-23103048
邮箱:jiurong.goog@163.com
备案号:
粤ICP备12064445号
粤公网安备:
44190002006970号
版权所有:东莞市玖容气动液压设备有限公司
网站地图